- Tiêu chuẩn: JIS, ANSI, ASTM, API 5L , BS, KS…
- Size : DN 15- DN 1000
- Tiêu chuẩn Áp lực: SCH20, SCH40. XS…..
- Phân loại : Tê hàn, Tê ren, Tê inox , Tê Mạ kẽm …
- Xuất xứ: TAIWAN, KOREA, CHINA,…
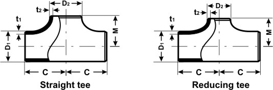
a. bảng tra cứu các kích thước tê thép

Hình 2 : Thông số kỹ thuật tê thép

Hình 3 :Thông số kỹ thuật tê thép
3. Một số loại tê thép thép thông dụng
Tê thép có nhiều loại như: Tê thép hàn, tê thép ren, tê thu, tê đều, tê giảm, tê thép đen, tê thép mạ kẽm, tê thép inox…
a. Tê thép hàn hàng đen
.png)
Hình 4 :Tê thép hàn hàng đen
b.Tê hàn mạ kẽm
Tê hàn mạ kẽm không bị rỉ sét, bị oxi hóa bởi môi trường xung quanh nên được đưa vào ứng dụng nhiều khu vực đặc biệt và đáp ứng được nhu cầu của các công trình yêu cầu cao.

Hình 5 : Tê hàn mạ kẽm
c. Tê ren hàng đen

Hình 6 : Tê thép ren đen
d. Tê thu :

Hình 7 : Tê thép thu
e. Tê ren mạ kẽm

Hình 8 :Tê thép ren mạ kẽm
4. ỨNG DỤNG TÊ HÀN:
Như tôi nói ở trên Tê thép, cùng với các loại phụ kiện khác được thiết kế để sử dụng đa dạng trong các môi trường, cùng khả năng chịu được áp lực cao, tê thép có mặt hầu hết trong :
– Nhà máy nhiệt điện
– Nhà máy thủy điện , xi măng…
– Đường dầu khí
– xưởng luyện kim
– Xý nghiệp đóng tàu
– cty Xây dựng
Các bạn có thể tham khảo thêm các loại phụ kiện khác mà chúng tôi đang cung cấp tại đây !

